Такие изделия позволяют охлаждать помещения, где нельзя устанавливать стандартные кондиционеры: например, присутствуют натяжные потолки или стены, обитые тканью, в арендованной на время квартире или в зданиях, охраняющихся законом. Кондиционер обладает не только завидной маневренностью и отсутствием монтажных работ по его установке, его стоимость вдвое ниже цены стационарных моделей. Если вы собираетесь проводить отпуск на своем авто, то мобильную версию можно взять с собой и не доплачивать на курорте за кондиционер, имея свой собственный. В этой статье мы рассмотрим его конструкцию и расскажем, как работает мобильный кондиционер.
Что такое напольные мобильные кондиционеры
Напольные (мобильные, переносные) кондиционеры — это отдельный тип климатического оборудования без внешнего блока, который отвечает за охлаждение воздуха в небольших комнатах, офисных кабинетах, кафе и т. д.
Принцип работы
Под напольным переносным кондиционером понимают моноблочное климатическое оборудование, предназначенное для охлаждения или обогрева воздуха жилых и нежилых помещений. Такое оборудование является альтернативой существующим двухблочным настенным аппаратам. Отличаются они не только способами монтажа и особенностями расположения в комнате, но и некоторыми особенностями эксплуатации.
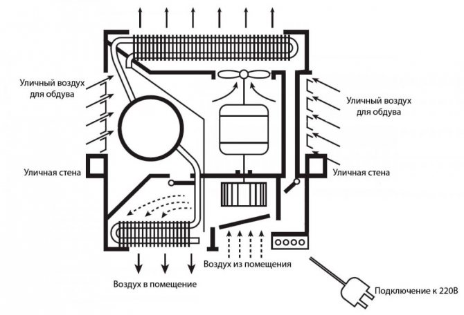
Принцип работы основан на тех же особенностях использования хладагента, что и в двухблочных сплит-системах. Фреон подается под давлением в испаритель, где происходит охлаждение забранного воздуха. При помощи вентилятора охлажденный воздух подается в помещение обратно. Преобразованный в пар хладагент благодаря компрессору подается в конденсатор, где переходит в жидкое состояние.
Выброс теплого воздуха, выделяемого в процессе работы устройства, может производиться через воздуховод, вмонтированный в сквозное отверстие в стене. Но есть оборудование и без воздуховода – переносной кондиционер. Он работает по другой схеме. Отличительной его чертой является наличие фильтра и емкости с водой. При помощи этих конструктивных элементов воздух не только охлаждается, но и очищается перед выбросом в пространство помещения.
Устройство напольного кондиционера
Виды напольных кондиционеров
Напольные моноблочные кондиционеры встречаются в основном двух видов:
- мобильный кондиционер с воздуховодом;
- мобильный кондиционер без воздуховода.
Существуют также мобильные сплит-системы, которые от стационарных отличаются лишь тем, что могут располагаться в удобном для пользователя месте. В остальном они также имеют внешний блок, который выставляется или вывешивается на улицу. Сам охлаждающий агрегат можно установить на полу в комнате.
Моноблочный напольный кондиционер устанавливается в комнате, воздух в которой необходимо охлаждать. При этом к прибору крепится гофрированный гибкий рукав (гофрошланг). Через него горячий домашний воздух отводится наружу.
Напольный кондиционер без воздуховода (того самого гофрированного рукава) охлаждает воздух с помощью губчатого, влажного фильтра. Такой принцип работы напоминает действие испарителя.
Для чего нужен и где используется
Компактные кондиционеры появились на рынке недавно, но свою нишу заняли основательно. Основное их достоинство – небольшие габаритные размеры одного единственного блока, который устанавливается внутри помещений. Идеальны такие кондиционеры для дома или для квартиры, в которых сложно установить стандартные сплит-модели. Тем более, они не зря носят название «мобильные». Их легко перенести в другое помещение, без всяких проблем.
Правда, надо отметить, что отнести эти приборы к категории «тихих мобильных кондиционеров» бытового назначения нельзя, потому что компрессор находится внутри единственного блока и работает он не самым тихим образом. Поэтому в спальнях их лучше не устанавливать. А вот для офиса это идеальный вариант, особенно если компания арендует помещение.
Мобильные кондиционеры
Мы уже познакомились с главными особенностями напольных мобильных кондиционеров. Теперь поговорим о каждом виде отдельно и рассмотрим их устройство и принцип работы.
Принцип работы моноблоков
Мобильный кондиционер с воздуховодом состоит из компрессора, теплообменников (испаритель и конденсатор), двух вентиляторов и фильтра. Теплообменники между собой связаны трубами. В этих трубах циркулирует хладагент.
Хладагент — это вещество, которое способно переносить тепло или холод из одного места в другое. Хладагент может быть газообразным, жидким и даже твердым. В холодильных установках в качестве хладагента используют углеводород фреон, который может кипеть и испаряться даже при низкой температуре.
Фреон циркулирует внутри системы напольного кондиционера и запускает процесс охлаждения.
- Находясь в газообразном состоянии, фреон попадает в компрессор.
- Внутри компрессора газ сжимается и нагревается до высокой температуры.
- Затем хладагент поступает в конденсатор и переходит в жидкое состояние.
- Как только давление жидкого фреона понижается, он поступает в испаритель и снова превращается в газ.
- За счет этого хладагент закипает и поглощает комнатное тепло.
- Затем хладагент идет в обратную сторону и «выталкивает» избыточное тепло через рукав.
Монтаж
Напольный кондиционер для дома не требует трудозатратной установки. Нужно лишь определиться с его рабочим местом в комнате. Но прежде чем приступить к сборке устройства, первым делом следует определить, куда вывести гофрошланг.
Трубу воздуховода можно вывести в трех направлениях:
- в вентиляционную шахту (на кухне),
- в окно,
- в специально высверленное отверстие в стене или окне.
Прибор можно перемещать по квартире, поэтому стоит заранее предусмотреть отверстия для воздуховода в каждой комнате, где прибор будет устанавливаться.
Гофрошланг можно вытягивать и тем самым увеличивать его длину. Рекомендованная длина рукава не должна превышать двух метров. Гофрированный рукав может нагреваться и, чем больше его длина, тем меньше производительность прибора, так как он будет одновременно охлаждать воздух и нагревать.
Если отверстие вентиляционной шахты находится под потолком, тогда напольный кондиционер в полной сборке не будет казаться таким уж и мобильным. Конструкция в полной сборке будет занимать много места и мешать.
Свои минусы есть и у второго варианта. Если выставить рукав в открытую форточку или приоткрытую створку, это может свести на нет все усилия устройства. Теплый воздух с улицы будет пробираться в комнату, и прибор просто не будет успевать охлаждать воздух в помещении.
Также такой способ чреват сквозняками и попаданием в квартиру уличной пыли и прочих загрязнений.
Последний способ отведения гофрошланга более оптимален. Главное соблюдать все рекомендации монтажа рукава — в первую очередь герметичность его закрепления в специально подготовленном отверстии.
Основные характеристики мобильных устройств
При покупке мобильного варианта напольного кондиционера нужно заранее знать точную площадь и объем всех помещений, где он будет использоваться, чтобы подобрать оптимальную мощность изделия. Ниже представлен перечень основных характеристик.
- Мощность кондиционера рассчитывается просто — для охлаждения 10 кв. м. помещения достаточно 1 кВт, но при этом надо учитывать и объем помещения, ведь в разных домах есть существенная разница высоты потолков. В инструкции по эксплуатации производители прописывают предельные возможности изделия, вам остается только сопоставить их с объемами ваших помещений.
- Потребляемая мощность — этот раздел интересует пользователей в первую очередь, потому что здесь налицо прямая связь экономичности изделия с нагрузкой от его деятельности на домашнюю электросеть. Технические стандарты уверяют нас, что мощность потребления энергии этих изделий в 3 раза меньше, чем их затраты на охлаждение. Статистика эксплуатации этой бытовой техники показывает, что отдельные современные модели позволяют существенно экономить электрическую энергию.
- Применение инверторного двигателя позволяет значительно понизить нагрузку на домашнюю электрическую сеть, потому что температура будет понижаться постепенно, что благоприятно сказывается на сроках службы изделия.
- Дополнительный режим обогрева помещения позволяет использовать бытовую технику такого класса во время любого сезона, а не только в летнюю жару.
Есть модели с функцией удаления пыли из помещения, устранением запахов за счет ионизации, осушения излишне влажного воздуха за счет вентиляции. У некоторых моноблоков есть функция регулировки вращения вентилятора, таймер автоматического включения и выключения устройства. Такие функции очень удобны, когда вы возвращаетесь с работы и попадаете сразу в прохладное помещение.
Специалисты советуют выбирать моноблоки с двумя шлангами — они более производительны и берут воздух с улицы для охлаждения. Переставлять их можно, заранее сделав универсальную вставку для всех окон, например, из блока с сеткой от насекомых, установив в нем оргстекло и необходимые конструкции для подсоединения гофров.
Напольные кондиционеры без воздуховода
Принцип работы у напольных кондиционеров без воздуховода больше похож на принцип действия испарителя или увлажнителя. У таких кондиционеров отсутствует компрессор, поэтому кондиционеры без воздуховодов не такие шумные, как их вышеупомянутые «коллеги».
Прибор этого типа не вырабатывает тепло и соответственно не отводит его за пределы помещения. Охлаждение домашнего воздуха происходит благодаря холодной воде, которую необходимо заливать в специальную емкость: чем холоднее будет вода, тем интенсивнее будет происходить охлаждение комнаты.
Также встречаются напольные кондиционеры для квартиры со встроенным лотком для льда.
Принцип работы напольного кондиционера без воздуховода
- Снизу у испарительного оборудования находится емкость с водой. Эта вода попадает на специальный губчатый фильтр и смачивает его.
- Поток теплого воздуха с помощью вентилятора проходит через увлажненный фильтр и охлаждается. Также охлаждается кожа человека в жару, когда испаряется пот.
Отсутствие компрессора и воздуховода у напольного кондиционера значительно скрадывает габариты полной конструкции и дает следующие преимущества:
- низкий уровень шума;
- отсутствие необходимости монтажных работ;
- компактность конструкции.
Принцип действия
Цикл работы любого кондиционера включается несколько шагов.
- В компрессор из внутреннего блока поступает газообразный фреон, сжатый всего до 3–5 атмосфер. Давление фреона должно быть до 20 атмосфер, так оно доводится до состояния жидкого, в котором хладагент и поступает во внешний змеевик. Здесь уже происходит отдача тепла фреона в сам радиатор контура. Излишек тепла тут же сдувается вентилятором внешнего блока в атмосферу.
- Сжиженный, остывший в контуре фреон доходит до теплорегулирующего вентиля, откуда он выходит в меньшую трубку и направляется во внутренний блок с температурой +15–+20 градусов. Медь, из которой изготовлены трубки фреонотрассы и змеевики, активнее, чем латунь и сталь, проводит тепло. Чтобы холод не терялся, эту трубку надёжно изолируют поролоном или пенофолом, плохо проводящим тепло.
- Дойдя до внутреннего блока, фреон проходит через штуцер соединения и попадает в змеевик с радиатором, аналогичный тому, что стоит в наружном блоке. Фреон испаряется и полностью переходит в газообразное состояние, уменьшая своё рабочее давление до 3 атмосфер. Контур остывает до 0 градусов и ниже.
- Полученный холод тут же сдувается в комнатный воздух вентилятором, втягивающим тёплый воздух из комнаты через входные щели в верхней части внутреннего блока. С ледяного радиатора воздух выдувается в комнату через другие щели – он проходит между шторками жалюзи блока. Его температура на выходе – 5–12 градусов тепла.
- Скинув холод, фреон минует змеевик внутреннего блока, проходит через выходной его штуцер и устремляется в медную трубку большего диаметра – уже в газообразном состоянии. И хотя сам фреон подогрет за счёт забранного из комнаты тепла, эту трубку также производитель рекомендует упаковывать в теплоизолятор, не позволяя фреону нагреться до температуры уличного зноя (до +58) прежде, чем тот достигнет входа компрессора. Это экономит ресурс самого компрессора, которому не нужно сжимать перегретый фреон дольше и до 40 атмосфер. Потребитель же избавляется от перерасхода денег за электричество.
Преимущества и недостатки напольного кондиционера
Выделим плюсы и минусы напольных комнатных кондиционеров без уличного радиатора с воздуховодом и без него.
Преимущества напольного кондиционера
- как мы уже отметили, напольный кондиционер без вывода на улицу не нуждается в монтаже. Этот фактор актуален для квартир и офисов со свежим ремонтом и для помещений, где нет возможности проводить монтажные работы;
- легко перемещается по квартире, при необходимости можно взять прибор на дачу;
- некоторые модели имеют дополнительные функции, такие как таймер, ионизация, увлажнение, осушение или обогрев воздуха;
- цены ниже, чем у полноценных сплит-систем.
Недостатки напольного кондиционера
- все части мобильного кондиционера находятся внутри корпуса в охлаждаемом помещении. Это говорит о том, что если устройство будет работать на высоких скоростях, весь процесс будет сопровождаться характерным шумом внутренних вентиляторов и компрессора;
- производительность чуть ниже, чем у привычных кондиционеров, за счет упрощенной системы охлаждения;
- воздухоотводящий рукав нагревается и может возвращать тепло в комнату. При неосторожности об него можно обжечься (может нагреваться до 60 °C);
- любой кондиционер, будь то стационарная сплит-система или напольный кондиционер, не может проветрить помещение (так как не предполагает приток свежего воздуха).
Учет необходимых функций и характеристик
Многие эксперты делают упор на то, что современные кондиционеры (мобильные) кроме стандартных функций снабжаются дополнительными. Если в процессе эксплуатации есть планы их использовать, то приобретайте агрегаты с режимами очистки и ионизации воздуха, устранением посторонних запахов. Как показывает практика, пользуются этими функциями редко, а именно они повышают стоимость техники.
Необходимо обозначить, что некоторые производители выпускают изделия, работающие только на охлаждение. То есть это чистый по своему принципу работы кондиционер. Они самые дешевые, малогабаритные, с небольшой массой. Если требуется агрегат и с обогревом или функцией вентиляции, то придется немного раскошелиться. Не говоря о более сложных режимах.
Вентиляция помещения и напольные кондиционеры
Бытует мнение, что напольные кондиционеры могут также сыграть роль принудительной системы вентиляции в квартире. Однако даже если прибор будет оснащен множеством современных функций, сверхмощными вентиляторами и фильтрами, изменится лишь температура воздуха, а духота останется.
Вентиляция в квартире
— это обмен воздушных масс: подача свежего уличного воздуха и удаление отработанного комнатного воздуха с высоким содержанием углекислого газа.
Кондиционирование
— охлаждение или нагрев воздуха внутри помещения без притока свежего воздуха.
Чтобы в доме всегда был чистый, свежий воздух комфортной температуры, вместе с напольным кондиционером можно использовать устройство компактной приточной вентиляции — бризер.
Бризер умеет очищать воздух от пыли и аллергенов, это касается как приточного, так и комнатного воздуха. Устройство приточной вентиляции и напольный кондиционер дополняют друг друга, ведь их функции совершенно разные. Один проветривает помещение, избавляя от духоты при закрытых окнах и очищая воздух от загрязнений. Второй — охлаждает или нагревает свежий, чистый воздух, который подает в помещение бризер.
Правила ухода
Какой кондиционер охлаждает воздух в Ваше доме?
С воздуховодомБез воздуховода
Чтобы прибор прослужил вам как можно дольше, не нужно оставлять его работать, «пока не сломается». Регулярный уход необходим любой бытовой технике.
- Фильтры, которые имеются внутри, необходимо регулярно чистить. Также все места, где скапливается пыль, нужно протирать.
- Не устанавливайте кондиционер так, чтобы он подвергался воздействию прямых солнечных лучей.
- Во время работы прибора не открывайте окна, особенно в жаркую погоду – это дает дополнительную нагрузку, и кондиционер начинает работать в усиленном режиме.
- Если вы заметили какие-то нарушения в работе устройства (появились протечки, посторонние звуки, ухудшилось охлаждение), обратитесь в сервисную службу.
- Два раза в год необходимо делать профилактику, проверяя кондиционер во всех режимах работы.
Напольный кондиционер для дома и квартиры поможет вам поддерживать комфортную температуру в помещении в любую погоду. При этом он не затрачивает много энергии, просто устанавливается и не занимает много места.
Популярные модели напольных кондиционеров
Мы изучили отзывы на сервисе Яндекс.Маркет и составили список самых популярных среди пользователей моделей напольных кондиционеров.
Моноблок Electrolux EACM-08CL/N3
Прибор оснащен такими функциями, как охлаждение, осушение воздуха и «вентиляция» помещения. Есть встроенный термостат для контроля температуры. Нет сборника для конденсата, лишняя влага выводится вместе с темным воздухом через воздуховод.
В режиме «вентиляция», как его называют сами производители, происходит циркуляция и очистка комнатного воздуха, однако проветрить помещение в этом режиме не получится из-за отсутствия притока свежего воздуха.
Характеристики прибора:
- уровень шума — 44 дБА;
- габариты — 43,5 × 69 × 33 см;
- средняя цена — 19 490 рублей;
- обслуживаемая площадь — 20 м2;
- дополнительные режимы — авто и ночной;
- вес — 25 кг;
- управление с пульта;
- есть подсветка.
Моноблок Zanussi ZACM-12 MS/N1
Этот кондиционер включает в себя три режима работы: охлаждение, осушение и «вентиляция» помещения. Прибор оснащен системой самодиагностики неисправностей.
Характеристики прибора:
- уровень шума — 50 дБА;
- габариты — 43.5 × 71.5 × 35 см;
- средняя цена — 23 990 рублей;
- обслуживаемая площадь — 30 м2;
- дополнительные режимы — авто, ночной;
- вес — 31 кг;
- управление с пульта;
- есть таймер включения и выключения.
Моноблок Zanussi ZACM-12 MS/N1
Кондиционер рассчитан на охлаждение, осушение воздуха и «вентиляцию» помещения. Есть возможность автоматического испарения конденсата.
Характеристики прибора:
- уровень шума — от 45 до 53 дБА;
- габариты — 27 × 48 × 69.5 см;
- средняя цена — 16 660 рублей;
- обслуживаемая площадь — 25 м2;
- вес — 24,7 кг.
Моноблок Electrolux EACM-13HR/N3 4.5
Прибор имеет четыре режима работы: охлаждение, обогрев, осушение воздуха и «вентиляция» помещения. Производитель заверяет, что прибор можно использовать круглый год, так как летом его можно использовать в качестве кондиционера, в межсезонье как осушитель, а в холодное время года как обогреватель.
Характеристики прибора:
- уровень шума — 44 дБА;
- габариты — 48 × 79.5 × 40 см;
- средняя цена — 26 220 рублей;
- обслуживаемая площадь — 33 м2;
- дополнительные режимы — авто, ночной, самодиагностика неисправностей;
- вес — 30 кг;
- управление с пульта;
- есть сенсорная панель управления;
- есть функция запоминания настроек;
- есть опция автоматического испарения конденсата.
Моноблок Aeronik AP-09C
В этом приборе отсутствует накопительный резервуар для конденсата, зато реализована система испарения и удаления влаги. Также устройство выполняет три основных задачи: охлаждение, осушение и «вентилирование» воздуха.
Характеристики прибора:
- уровень шума — 50 дБА
- габариты — 48 × 83 × 38 см;
- средняя цена — 21 340 рублей;
- обслуживаемая площадь — 25 м2;
- автоматическая смена режимов;
- вес — 31 кг;
- управление с пульта.
Мини-кондиционер Rovus Арктика
Этот мини-кондиционер подойдет для кабинета, кухни или гостиной комнаты. Прибор можно установить на тумбочку около кровати или на журнальный столик в гостиной. Этот компактный кондиционер нередко называют персональным, так как зона его обслуживания мала, продуктивности прибора достаточно для двух человек. Кондиционер не требует монтажа, работает от USB, имеет несколько режимов и играет роль ночника за счет цветовой подсветки.
Чтобы прибор начал охлаждать воздух, нужно лишь подключить его к сети, залить воду и нажать на кнопку включения. Один рабочий сеанс длится до восьми часов.
Характеристики прибора:
- габариты — 17 × 16,5 × 17 см;
- средняя цена — 1 370 рублей;
- вес — 1,4 кг;
- работает через USB-шнур;
- корпус подсвечивается.
Установка напольных сплит-систем
Сплит-системы превосходят по мощности моноблоки, поэтому их можно использовать в помещениях с достаточно большой площадью. Но они имеют один существенный недостаток – система кроме внутреннего блока имеет еще и наружный, который необходимо размещать за пределами помещения.
Монтаж напольных кондиционеров такого типа осуществляется по следующей схеме:
В стене высверливается сквозное отверстие диаметром приблизительно 6 сантиметров, через которое к наружному блоку кондиционера будут подведены трубы с хладагентом, дренажные трубы и проводка. Место расположения отверстия определяется согласно меткам, нанесенным на задней крепежной панели устройства.
Сверлить необходимо с небольшим уклоном наружу, чтобы избежать попадания влаги во время дождя, а также застоя конденсата. В отверстие для дополнительной защиты от повреждений проводки вставляется труба (пластиковая или гофрированная) такого же диаметра.
С помощью специальных кронштейнов на стену или крышу здания крепится наружный блок системы. Вначале в стене просверливают отверстия, в которые вставляются болты и крепятся металлические кронштейны, которые обычно поставляются в комплекте. Затем на готовую конструкцию подвешивают наружный блок. При закреплении блока между ним и стеной нужно оставить расстояние не менее 5 сантиметров (оптимально 10-15 сантиметров). Обязательно следует проверить надежность крепления, поскольку от этого зависит не только сохранность сплит-системы, но и безопасность прохожих.
Иногда в качестве места установки наружного оборудования выбирают проветриваемый балкон или лоджию. Это не запрещается, но необходимо обеспечить постоянный приток к нему свежего воздуха.
- Установка внутреннего блока кондиционера намного проще и займет меньше времени. Все что потребуется – это выбрать подходящее место для оборудования и прикрутить к основанию четыре ролика для удобства перемещения. Необходимо располагать кондиционер в непосредственной близости к предметам (не менее полуметра от воздухозаборной решетки). Также не следует ставить агрегат около работающей отопительной батареи или радиатора.
- На заключительном этапе установки сплит-системы через проделанное в стене отверстие от комнатного блока выводится и подсоединяется к наружному электропроводка, дренажная трубка и воздуховод.
Важные критерии при выборе напольного кондиционера
Кондиционер важен не только в период весенних жарких дней и летнего зноя. В холодные месяцы в некоторых квартирах бывает очень жарко и, если нет возможности установить терморегулятор на батарею для регулировки подачи тепла, можно использовать кондиционер. Также некоторые из современных моделей имеют опцию обогрева помещения.
Выбирая кондиционер, стоит обратить внимание на следующие критерии прибора и их необходимость для дома или офиса:
- Режимы работы.
Мобильные напольные кондиционеры имеют, как мы уже заметили выше, не менее трех режимов. Давайте рассмотрим, за что отвечает каждый режим и какие еще возможности бывают у напольных кондиционеров: 
- охлаждение воздуха. Основной режим, ради чего и придуман такой холодильный агрегат;
- подогрев воздуха. Этот режим актуален для зимних месяцев и межсезонья, когда центральное отопление отключено;
- осушение воздуха. Этот режим поможет снизить влажность воздуха в квартире. Полезная функция для тех, кто часто сталкивается с повышенной влажностью в доме;
- режим вентиляции. Помогает равномерно распределять температуру воздуха в комнате, так как обычно теплый воздух поднимается к потолку;
- автоматический режим. Установка данного режима позволяет сохранять и поддерживать заданные показатели температуры и влажности. Прибор при изменении условий и состояния воздуха сам будет включать подходящий под ситуацию режим, скорость вращения вентиляторов и т. д;
- режим ионизации. Заряжает комнатный воздух отрицательными ионами. Однако использовать эту функцию постоянно и особенно в присутствии людей в помещении не рекомендуется: прямых доказательств эффективности и положительности влияния ионизаторов на человека нет;
- тихий/ночной режим. Прибор работает на минимальной скорости, не нарушая сон. В большинстве моделей ночной режим отключается автоматически после завершения программы.
- Мощность прибора.
От мощности кондиционера зависит его производительность. Принцип здесь простой: чем выше мощность прибора, тем выше его производительность, а значит, и больше обслуживаемая площадь (1 кВт охватывает 10 м2). Изучая общие характеристики прибора, всегда нужно обращать внимание на обслуживаемую площадь, чтобы соотнести ее с размерами комнаты, в которой планируется установка прибора. 
- Наличие таймера. Прибор отработает определенное время, охладит комнату и отключится самостоятельно или включится, когда это необходимо, например перед Вашим возвращением с работы домой.
- Пульт управления. Удобен для дистанционного управления прибором, особенно когда не хочется никуда вставать перед сном или утром после пробуждения.
- Способ передвижения. Если планируется использовать прибор во всех комнатах, то выбирайте модель с колесами, желательно прорезиненными. Это защитит напольное покрытие от царапин.
- Фильтры.
Практически все кондиционеры оснащены фильтрами грубой очистки от шерсти и крупной пыли. Современные модели напольных кондиционеров могут иметь в комплектации и другие фильтры: 
- угольный — удаляет неприятные запахи;
- электростатический — против мелкой пыли и дыма;
- ультрафиолетовый — против бактерий и вирусов;
- с ионами серебра — против распространения микробов.
Вес и габариты. Если в планах использовать напольный кондиционер не только дома, но и перевозить его на дачу, то нужно выбирать ту модель, которую без труда можно самостоятельно донести до машины или докатить (существуют модели с выдвижными ручками).
Выбор устройства
Вначале стоит определить площадь помещения, для отопления которого приобретается мобильный кондиционер. После чего не составит большого труда подсчитать необходимую его мощность плюс небольшой запас (около 10%).
Не будет лишним изучить отзывы покупателей о той или иной фирме. Приобретайте только качественные мобильные устройства известных производителей.
Цены на напольные кондиционеры
Еще один параметр, на который большинство людей опирается при выборе климатической техники для дома, — это стоимость прибора и выгодность вложений.
Ознакомившись с моделями мобильных кондиционеров, Вы наверняка заметили, что среди них есть варианты, которые стоят примерно как стационарная сплит-система.
Мобильный напольный кондиционер не требует дальнейших вложений в монтаж устройства. Исключение лишь в реализации отверстия для вывода воздуховода (если выбор пал на кондиционер такого типа).
Нюансы работы различных видов
Сплит-система исполняется в настенном, канальном, колонном, напольном, мультисплит- и кассетно-потолочном вариантах. Внешний блок – общий, количество внутренних блоков может отличаться. Сложнейший из всех вариантов – канальный кондиционер: он требует монтажа замкнутых приточно-вытяжных каналов, не сообщающихся с улицей. Мультисплит-системе нужна древовидная «трасса» – здесь внешний блок работает на несколько внутренних. Колонный и напольный кондиционеры ставятся на пол в углу, но «трасса» при этом существенно удлиняется – внешний блок нельзя вешать на высоте менее 2,5 м. Кассетный сложен в монтаже из-за разборки секций подвесного потолка в месте монтажа внутреннего блока.
Однако все сплит-системы работают одинаково.
Далее смотрите видео об устройстве и принципе работы сплит-системы.
Как правильно вывести воздуховод
Как оказывается, сделать все можно красиво, эстетично и аккуратно. Рассмотрим наиболее удачный способ решения данной проблемы для пластиковых окон.
При этом методе, вам понадобится проделать отверстие в окне, ровно по размеру воздуховода. При этом резать само стекло не придется. Достаточно воспользоваться съемной москитной сеткой.
Снимаете с нее размеры и вырезаете по этим данным прямоугольник из акрилового оргстекла или плексигласа. Толщина его должна быть не более 6-7мм.
Оно то и будет вставлено вместо москитной сетки в окно.
При снятии размеров для стекла не забудьте, что сетка крепится в окне за специальные выступающие уголки.
Поэтому размеры стекла должны быть не от края до края рамы, а с учетом того, чтобы не мешать впоследствии данным уголкам занять свое место.
Для удобного прорезания оргстекла берете прямую ровную направляющую, например алюминиевый профиль, и большим канцелярским ножом несколько раз с усилием проводите по ранее размеченному контуру.
Переворачиваете стекло и то же самое проделываете с обратной стороны. Далее надавливаете и как бы складываете стекло пополам, отламывая его ровно по проведенным линиям.
Данный материал можно также резать болгаркой.
Правда от диска остаются подплавленные края, но их можно счистить шлифшкуркой, либо срезать тем же самым ножом.
Когда прямоугольник готов, в нем необходимо прорезать отверстие под патрубок. Прикладываете воздуховод на оргстекло в том месте, где нужно сделать отверстие и проводите карандашом окружность.
Монтаж своими руками
Монтаж и ремонт мобильных кондиционеров рекомендуется доверить профессионалам. Но многие предпочитают самостоятельную установку таких приборов, поскольку этот процесс не представляет особых сложностей. Необходимо обратить внимание на розетку, которая будет отвечать за питание оборудования. Она должна быть мощной и иметь надёжный кабель. Когда помещение большое, а мощность устройства высокая, необходимо выполнить монтаж отдельного автомата и заземления.
Рекомендуем ознакомиться: Кассетный кондиционер
Закрытые кондиционеры лучше устанавливать в углу, на тумбе или какой-либо полке, чтобы исключить возможность появления на стенах и декоративной отделке следов от горячего воздуха. Открытый тип прибора разрешается ставить непосредственно на пол, располагая его в месте, больше всего нуждающемся в охлаждении или обогреве.
При выборе модели с воздуховодом необходимо заблаговременно побеспокоиться о выведении гофры. В большинстве случаев недостаточно просто вывести ее на улицу через окно или дверь. Чтобы исключить попадание нагретого или охлажденного воздуха обратно в помещение, необходимо сделать в окне специальную пластиковую вставку.
На устройство не стоит ничего ставить. Рекомендуется исключить попадание влаги на дисплей и другие детали. При появлении сильного шума или посторонних звуков во время работы следует отключить питание кондиционера и обратиться к специалисту. Игнорирование подобных явлений может привести к поломке.
Ошибки установки
1Отверстие в стекле.
Где в оргстекле лучше вырезать отверстие? Если вы будете постоянно держать мобильный кондиционер на подоконнике, или рядом с ним на его уровне, то отверстие должно быть в самом верху.
В этом случае отвод горячего воздуха будет направлен снизу вверх. В таком направлении потоку легче и проще выйти наружу. Теплый воздух всегда поднимается вверх.
А вот подобный способ на фото снизу, не совсем корректный.
Если же кондей будет стоять на полу, тогда окружность прорезается снизу. Это обеспечит минимальную длину шланга, при которой последний не будет работать в режиме батареи.
Хотя есть у верхнего варианта и отрицательный момент. При сильном боковом дожде, вся вода окажется внутри этого патрубка.
Так что лучше ставить не пустые кольца насадки, а с разнообразными защитными сетками или другими элементами.
2Длина шланга.
Здесь действует универсальное правило, чем короче гофра — тем лучше.
При длинном патрубке, помещение будет нагреваться от этой самой выхлопной трубы. Ее температура доходит до 60 градусов.
В итоге при длинных экземплярах получается такой эффект, как будто у вас в комнате работает на полную мощность батарея отопления. И чем она будет длиньше, тем сильнее она будет греть окружающее пространство.
Ваш кондиционер будет бороться сам с собой. С одной стороны охлаждать помещение, а с другой наоборот, его обогревать.
А еще это сказывается на нагрузке компрессора и в целом самого агрегата. Прогнать горячий воздух по трубе в 1,5м, не то же самое, что длиною 5 метров. Поэтому кстати и не рекомендуют выводить такой хвост в вентиляционную шахту.
3Неправильный вывод гофры.
Если ваш девайс забирает большую часть воздуха через радиаторы на задней стенке, то всегда старайтесь трубу воздуховода уводить от нее как можно дальше или максимально в сторону.
Не рекомендуется ее приближать слишком близко к самому кондиционеру.
Как уже было сказано ранее, труба эта сильно нагревается. В итоге ваш охладительный прибор через радиатор будет засасывать в себя сразу же горячий воздух, нагретый от стенок гофры.
А это значит, что и периодических отключений от кондиционера вы никогда не добьетесь, какую бы температуру не выставляли.
Если места мало, в этом случае гофру можно покрыть слоем теплоизоляционного материала.
Это даст вам как минимум пару лишних градусов, и в комнате станет заметно прохладнее.
4Приток воздуха в комнате.
Если у вас в комнате одно единственное окно и нет притока свежего воздуха с других мест, такой мобильный кондиционер просто выдует большую часть кислорода из помещения.
При этом новая порция в него так и не поступит. При большой производительности агрегата, выбрасывается столько воздушного потока, что дверь в комнату аж присасывает к уплотнителю.
Данную проблему хорошо решают модели с двумя трубами воздуховодами.
Если у вас не такой вид, всегда следите, чтобы какая-то форточка или окна в других комнатах были приоткрыты, а охлаждаемое помещение не было заперто. Иначе в квартире создается низкое давление, после чего начинается забор неприятных запахов через вентиляцию от ваших соседей.
5Несоблюдение минимальных отступов.
Не размещайте напольный кондиционер вплотную со стенкой.
Не забывайте, что он должен через свои боковые радиаторы с фильтрами, засасывать воздух для охлаждения.
По инструкции, рекомендуемое расстояние от стен должно быть минимум 30см.























 
 
 
 
							
							
						 
							 
 
